
DX360:3进/6出
DX480:4进/8出
输入/输出之间可灵活设置路由
40-bit浮点DSP(高精度数字处理)
高性能24bit A/D、D/A转换器
精确的1Hz频率分辨率
产品信息:
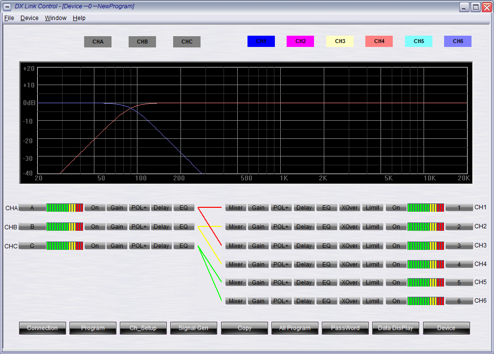
LSS最新的DX系列产品是音响行业中最先进和最简单操作的数字音箱控制器系统之一。DX系列产品拥有40-bit浮点处理运算能力,可集中全部音箱所需的程序和扩音系统的调整程序在单个1U设备内。采用40-bit的高比特率浮点DSP处理器可防止通常因为使用24-bit定点DSP处理器而产生的噪音和失真。DX系列可直接通过前面板进行单独设备的操作,也可以用一台笔记本或其它电脑通过USB端口或RS-485接口(扩展控制距离可达1英里,约合1609米)进行实时控制。DX系列专门设计用于流动演出或固定安装。DX360是一款3进6出数字扬声器管理系统,而DX480为4进8出。DX系列设计采用“一键通”按钮,可快速控制音量、均衡、分频、限幅、输入通道和系统管理等,使得DX系列能够简单地通过一键式按键实现实时控制。此外,DX还配备有最先进的粉红噪音和单频发生器,有助于简单准确地进行所需的设置。附带的CD内有DX控制软件,其具有直观的图形化用户界面,即便是复杂的操作系统,也可做到快速设置。板载内存模块可以存储多达30个预置程序。DX还具有完整的系统安全设计,防止不必要的系统设置被更改。
特性:
每输入/输出通道,设6段参量均衡
一键访问设置按钮
每输入/输出通道,全5段LED指示
PC控制和配置用USB和RS-485接口
Neurrik XLR连接器
输出通道全功能限幅器
4×32背光LED显示屏
存储多达30个程序设置
粉红噪声和单一频率发生器
安全锁
数据表:
输入输出
输入阻抗 >10k Ohm
输出阻抗 50 Ohm
最大电平 +20 dBu
类型 电子平衡式
音频性能
频率响应 +/-0.1dB (20~20kHz)
动态范围 115dB typ (不计权)
CMMR >60dB (50~10kHz)
通道串扰 <-100dB
失真 0.002% (1kHz @ +4dBu)
数字音频性能
量化精度 32-bit (可扩展至40-bit)
采样频率 96kHz
模/数-数/模转换 高性能24-bit
转换延时 1.5ms
前面板控制功能
显示 背光LED 4×32
电平表 5段LED
控制键 静音/编辑控制,一键菜单控制
菜单控制 嵌入式拇指轮
接口
音频 3-pin XLR
USB USB port
电源 标准IEC接口
常规
电源 115 / 230 VAC (50 / 60Hz)
尺寸 483×44×203 mm(19”×1.75”×8”)
